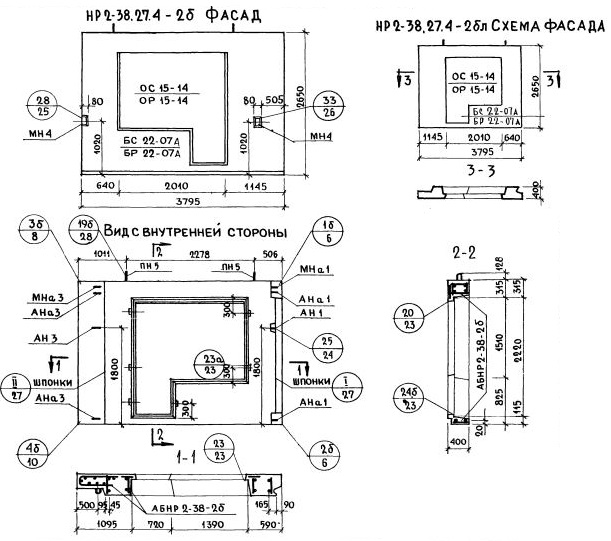
НР2-38.27.4-2б

Чертеж изделия:
Чертеж НР2-38.27.4-2б
Характеристики изделия:
ПараметрЗначение
Длина3795 мм
Ширина400 мм
Высота2650 мм
Масса3620 кг
Нормативный документСерия 1.132-1

НР2-38.27.4-2б   Наружная стеновая панель рядовая по Серии 1.132-1.