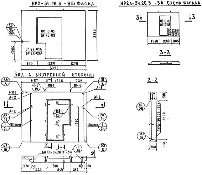
НР2-34.26.3-3бл

Чертеж изделия:
Чертеж НР2-34.26.3-3бл
Характеристики изделия:
ПараметрЗначение
Длина3395 мм
Ширина300 мм
Высота2610 мм
Масса2750 кг
Нормативный документСерия 1.132-2

НР2-34.26.3-3бл    Наружная стеновая панель рядовая по Серии 1.132-2.