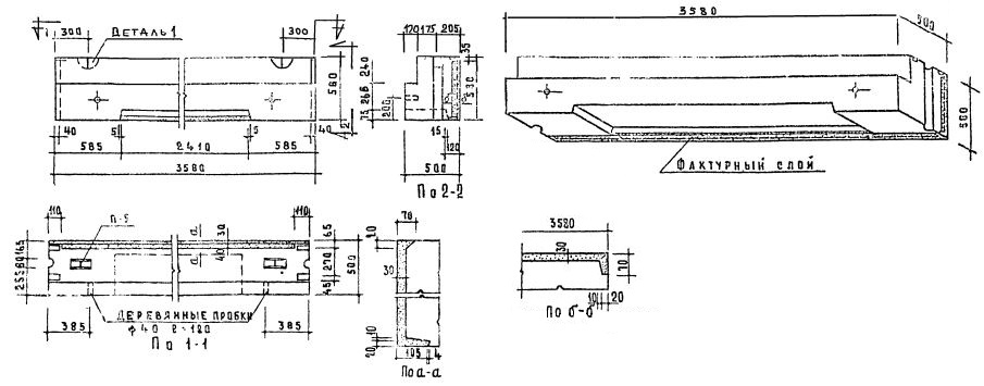
НБ-36.6.5П

Чертеж изделия:
Чертеж НБ-36.6.5П
Характеристики изделия:
ПараметрЗначение
Длина3580 мм
Ширина500 мм
Высота580 мм
Масса1730 кг
Нормативный документСерия 1.133-1

Стеновые легкобетонные блоки толщиной 50 см по Серии 1.133-1.

НБ-36.6.5П  Перемычечный блок.