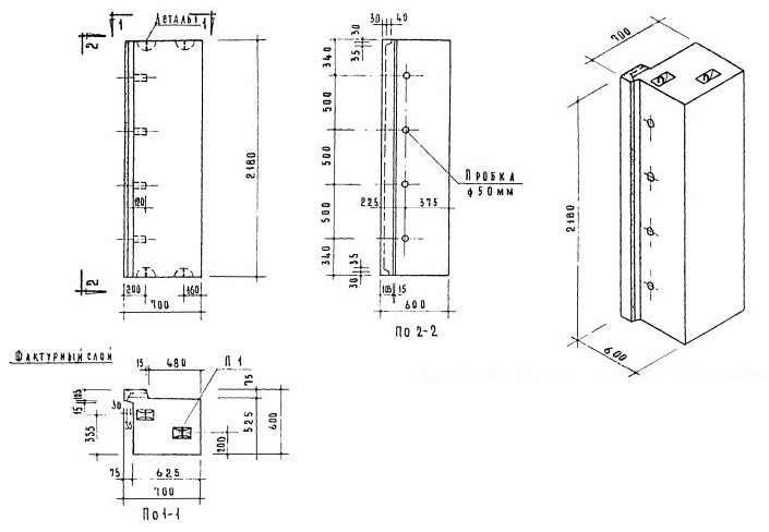
НБУ-6.22.6-1

Чертеж изделия:
Чертеж НБУ-6.22.6-1
Характеристики изделия:
ПараметрЗначение
Длина700 мм
Ширина600 мм
Высота2180 мм
Масса1475 кг
Нормативный документСерия 1.133-1

Стеновые легкобетонные блоки толщиной 60 см по Серии 1.133-1.

НБУ-6.22.6-1  Простеночный блок угловой.