2ПСС 28.33.4,0-п

Чертеж изделия:
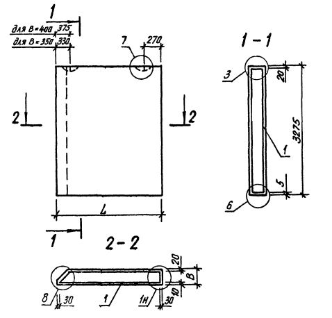
Чертеж 2ПСС 28.33.4,0-п
Характеристики изделия:
ПараметрЗначение
Длина2755 мм
Ширина400 мм
Высота3275 мм
Масса4300 кг
Нормативный документСерия 1.232.1-8

Стандарт изготовления изделия: Серия 1.232.1-8

Панель однослойная самонесущая 2ПСС 28.33.4,0-п (1.232.1-8) представляет собой прочную прямоугольную конструкцию, выполненную из легкобетонной смеси и стального внутреннего каркаса. Наружная поверхность строительного элемента обладает эстетичным декоративным слоем. Вертикальные грани наружного слоя запроектированы из условия устройства стыков, заделываемых герметиками. На нижней горизонтальной грани предусмотрена декомпрессионная полость. Конструкционными особенностями, как данной панели, так и всех аналогичных изделий, изготавливаемых по регламенту Серия 1.232.1-8, является наличие проемов для окон и дверей. 

Маркировка

1. 2 - различие в размерах или расположении проема;

2. ПСС - панель стеновая самонесущая без проема (глухая);

3. 28 - длина в дециметрах;

4. 33 - высота в дециметрах;

5. 4,0 - толщина в дециметрах;

6. п - используется бетонная смесь на пористых заполнителях.